一、產品簡介
WS50-200系列垂直螺翼式水表是一種適合在大口徑管路中使用的螺翼式水表。其主要特色是流通能力大、壓力損失小。當水流入該水表后,沿軸線方向沖擊水表螺翼形的葉輪旋轉后流出,葉輪的轉速與水流速度成正比,經過減速齒輪傳動后,在指示裝置上顯示通過水表的水總量。不適宜有腐蝕性的液體,其水表技術參數全面優于LXS型旋翼式水表,是其提高計量等級,合理計費的換代產品。生產標準為ISO4064(GB/T778-2007)。
二、產品特點
1. 始動流量小,便于精密測量。
2. 螺翼式葉輪垂直放置,以不銹鋼滾珠作為支撐,從而使摩擦阻力降至較低。即使單個家庭的洗衣,如廁或淋浴等用水,也能使用此類水表計量。
3. 防污性能強:內置不銹鋼濾水網,省去了獨立安裝過濾器的費用和麻煩。在線可拆式結構設計,從而使水表維護工作量降至非常低,水表能在水質環境惡劣的條件下正常工作,必要時可在安裝現場拉出全套機芯,快速清理雜物。
4. 計量量程寬:螺翼式葉輪外徑大于公稱口徑,使其能承受更大的流量,而小流量性能優越,量程比較寬,實際可達200-400倍。
5. 使用壽命長:大葉輪低轉速設計,兩端的摩擦副是剛玉-不銹鋼滾珠-剛玉-碳纖維耐磨塑料,硬質合金--剛玉-碳纖維耐磨塑料,特別是滾珠不是固定點磨損的,因而能長期保證計量性能。
6. 加大字輪顯示讀數,可在表井外抄讀。
7. 在水質環境惡劣的條件下正常工作。耐磨塑料,特別是滾珠不是固定點磨損的,因而能長期保證計量性能。
8. 垂直螺翼式水表前后直管段要求大大降低,便于在窄小空間安裝。
9. 濕式液封結構讀數清晰,靈敏度好,防磁;同時,也有磁傳干式結構,主要供出口和遠傳用。
10. 無需將水表從管道中拆卸,即可拆卸水表測量機構,便于水表維修。
11. 表殼內腔和外表面經塑料粉末噴涂處理,具有良好的防護性能。
12. 垂直螺翼式式水表技術參數全面優于水平螺翼式水表,屬于優秀的替換產品。
13. 壓力損失小。
14. 可適用于冷水≤50℃。
15. 水壓:≤1MPa,1.6MPa, 2.5Mpa或者4.0Mpa。
16. 可預留遠傳發訊,帶磁脈發訊接口功能,便于遠抄表。
17. 上下游流場敏感度等級:UO DO。
三、流量技術參數
| 公稱口徑 DN | 計量等級 | 最大流量 Qs | 常用流量 Qp | 分界流量 Qt | 最小流量 Qi | 最小讀數 | 最大讀數 |
| mm | m3/h | m3 | |||||
| 50 | C | 30 | 15 | 22.5 | 90 | 0.0005 | 999999 |
| 80 | C | 80 | 40 | 60 | 240 | 0.0005 | 999999 |
| 100 | C | 120 | 60 | 90 | 360 | 0.0005 | 999999 |
| 150 | C | 300 | 150 | 225 | 900 | 0.005 | 9999999 |
| 200 | C | 500 | 250 | 375 | 1500 | 0.005 | 9999999 |
| 公稱口徑 DN | 計量等級 | 過載流量 Q? | 常用流量 Q? | 分界流量 Q? | 最小流量 Q? | 最小讀數 Min | 最大讀數 Max |
| mm | R | m3/h | m3 | ||||
| 50 | 160 | 50 | 40 | 400 | 250 | 0.0005 | 999999 |
| 200 | 320 | 200 | |||||
| 80 | 160 | 78.7 | 63 | 630 | 393.75 | 0.0005 | 999999 |
| 200 | 504 | 315 | |||||
| 100 | 160 | 125 | 100 | 1000 | 625 | 0.0005 | 999999 |
| 200 | 800 | 500 | |||||
| 150 | 160 | 312.5 | 250 | 2500 | 1562.5 | 0.005 | 9999999 |
| 200 | 2000 | 1250 | |||||
| 200 | 160 | 500 | 400 | 4000 | 2500 | 0.005 | 9999999 |
| 200 | 3200 | 2000 | |||||
四、最大允許誤差
① 低區 (Q?≤Q<Q?) 最大允許誤差為±5%
② 高區 (Q?≤Q≤Q?) 最大允許誤差為±2%

五、壓力損失曲線

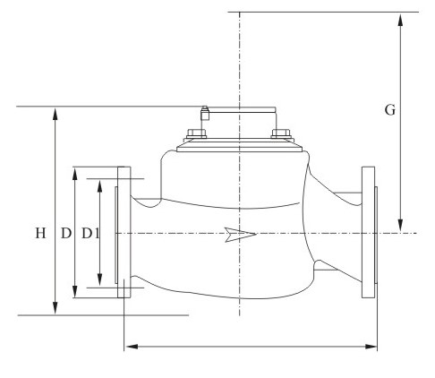
六、外形及規格尺寸

| 公稱口徑 DN | 長 L | 寬 W | 高 H | 連接法蘭 | ||
| mm | 法蘭外徑 D | 螺栓孔中心圓直徑 D1 | 螺栓 | |||
| 50 | 280 | 245 | 300 | 165 | 125 | 4xM16 |
| 80 | 370/225 | 280 | 300 | 200 | 160 | 8xM16 |
| 100 | 370/250 | 300 | 345 | 220 | 180 | 8xM16 |
| 150 | 500 | 335 | 445 | 285 | 240 | 8xM20 |
| 200 | 550 | 386 | 476 | 340 | 295 | 8xM20 |